Гидрораспределитель моноблочный P120-A1 GKZ1 без фиксации 120 л/мин

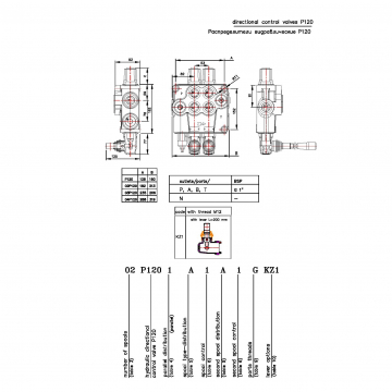
Технические особенности гидрораспределителей моноблочных серии Р120:

Основные характеристики:

1. Конструктивное исполнение -...

Арт. УТ-00000573
  • В наличии (99 шт.)
  • Доставка в любой регион России
  • Гарантия от 6 до 12 месяцев
* Цена действительна только для интернет-магазина и может отличаться от цен в розничных магазинах

Технические особенности гидрораспределителей моноблочных серии Р120:

Основные характеристики:

1. Конструктивное исполнение - моноблок;

2. Стандартные европейские размеры моноблочного гидрораспределителя;

3. Крепления - 3 отверстия под болты М10;

4. Гидравлическая схема золотника: O, A, Y, P;

5. Присоединительные отверстия - внутренние резьбы дюймовые и метрические;

6. Использование стандартной гидравлической схемы;

7. Применение при температуре воздуха от -40 до +80 С.

8. Рабочая жидкость - гидравлическое масло на минеральной основе.

9. Кинематическая вязкость масла: от 10...400 мм2/с при температуре от -15 до +80 С.

10. Допустимая степерь загрязнения гидравлической жидкости: класса 10 по NAS1638;

11. Максиммальное давление - 315 бар, номинальное давление: 200 bar;

12. Расход рабочей жидкости - 120 литров в минуту;

13. Ход золотника +/- 10 мм;

  • Серия без фиксации
  • Количество золотников / секций 1-но золотниковые
Ранее просмотренные товары
Всего в истории 20 товаров