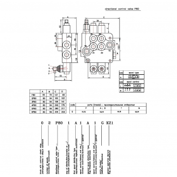
Гидрораспределитель моноблочный 02P80-1A1A1 GKZ1

Конструктивная особенность 02P80-1A8A1 GKZ1 гидрораспределителя:

-присоединительные размеры: P-G1/2 A,B - G3/8 T,N - G1/2

-2-х секционный;

-A8...

Арт. БП-00002479
  • В наличии (99 шт.)
  • Доставка в любой регион России
  • Гарантия от 6 до 12 месяцев
* Цена действительна только для интернет-магазина и может отличаться от цен в розничных магазинах

Конструктивная особенность 02P80-1A8A1 GKZ1 гидрораспределителя:

-присоединительные размеры: P-G1/2 A,B - G3/8 T,N - G1/2

-2-х секционный;

-A8 с фиксацией, А1 без фиксации;

-присоединительные размеры дюймовые;

-моноблочный;

-ручное управление;

Номинальный расход рабочей жидкости - 80 л в мин.

Номинальное давление - 20 МПа;

Максимальное давление - 35 МПа;

Диапазон рабочих температур - от -40 до +60;

  • Количество золотников / секций 2-х золотниковые
Ранее просмотренные товары
Всего в истории 6 товаров